长期以来,人们对于海洋观测的认识局限于岸边和表层,对于海洋内部的认识比较少。而随着科学研究的需要和工程技术的进步,众多国家开始建立第三代海洋观测平台———海底科学观测网。相比于调查船测量和卫星遥感,海底科学观测网可以深入海洋内部,提供定点、长期、连续的观测数据,有助于更加深入理解海洋随时间的变化。在海底科学观测网中,浮标观测平台能够获取海气界面的科学数据,包括大气数据和近海面水体参数,是观测网系统的重要组成部分。本文将从浮标平台的发展现状、海底观测网的功能需求分析、平台设计探讨、柴发太阳能混合能源系统4个部分来阐述。
根据功能的不同,浮标观测平台可以包括浮标体、锚系、传感器系统、数据采集和控制系统、能源管理系统和通信系统。
⒈浮标体
浮标体是整个平台的载体,可以为系统提供足够的浮力,与锚系共同确保整个平台在海洋环境中的稳定工作。按照结构类型划分,浮标体可以分为圆盘型、船型和柱型等结构。其中,应用最广泛的、历史最悠久的是圆盘型浮标。圆盘型浮标通常按照直径分为大型、中型和小型3种类型。国外的浮标平台使用源于20世纪60年代,当时多采用12m直径和10m直径的大型浮标。随着材料技术的进步,美国的国家数据浮标中心(NDBC)逐渐发展出了直径3m的标准浮标,成为美国浮标观测网的主力浮标。我国的海洋浮标研制起步较晚,现在也进入了业务化运行阶段。我国已经初步建立了包含约130个浮标的近海浮标观测网,包括10m大型浮标、6m中型浮标和3m小型浮标,主要型号是10m大型浮标。究其原因,我国近海渔业活动频繁,采用大型浮标可以降低丢失和损坏的风险,能够提高浮标系统的稳定性。而国外的海况比较良好,渔业活动较国内稀少,因此,采用易于运输和维护的3m小型浮标,只有在比较恶劣的海况才使用大型浮标。
⒉锚系
锚系通常由锚和系缆组成,能够为整个浮标系统提供足够的系泊力,与浮标体共同保证系统的稳定运行。根据系留方式的不同,锚系可以分为单点系留和多点系留。其中,单点系留又可以分为全锚链式系留、拉紧式系留、半拉紧式系留、倒S型系留和弹性系留系统。锚的类型有有杆锚、无杆锚、大抓力锚和特种锚。系缆的材料类型有锚链、钢丝绳、化纤缆绳和弹性系缆原件。弹性系留是比较新的系留方式,可以降低海流导致的系缆运动,改善浮标的随波状态,提高浮标的数据质量。
⒊数据采集和控制系统
数据采集和控制系统是整个浮标系统的控制中心和数据处理中心,能够完成对传感器的数据采集、远程控制和电源管理。数据采集系统结构可以分为采集电路、控制芯片、存储设备和相应软件等。当前,我国浮标平台普遍采用的数据采集和控制系统主要支持海洋气象、物理海洋和少量海洋传感器的采集和控制,满足国家海洋局、气象局等单位的业务化运行需要。对于这些业务化运行的浮标平台,增减传感器数量和种类都需要重新设计,增加了工作量。国外的发展趋势是,研制可以应用浮标、潜标和水下滑翔机等多种平台的低功耗的智能型数据采集和控制系统,其关键是模块化设计和标准化设计。国内的各个机构,包括中国海洋大学、山仪所、中船重工七一五所等都设计了自身的基于CAN总线的数据采集和控制系统,具有较好的扩展性。
⒋电源管理系统
电源管理系统是数据采集控制系统、通信系统和传感器系统的能量来源,能够实现电源的补充和管理。通常,浮标平台采用太阳能和蓄电池结合的方式实现能量的采集和存储。在阳光充足的时候,太阳能电池板可以将光能转化成电能,除了供应传感器消耗之外,将多余的电能储存在蓄电池中。在没有阳光的时候,蓄电池中的能量可以满足整个系统的运行。其中,电源管理模块可以监测并显示电池的电压、电流和温度等要素,防止蓄电池过充、过放和过热等,最终,实现系统的长期平稳运行。
⒌通信系统
通信系统是浮标平台和岸基站之间的联系通道,可以实现数据和控制指令的双向传输。浮标上常用的通信方式有VHF、CDMA、GPRS、北斗卫星和海事卫星等多种方式。在近海和湖泊中,手机信号比较强,采用CDMA或者GPRS信号通信具有速度快、费用低和稳定的特点。在离岸较远的区域,通信基站较少,卫星通信成为唯一的方式。为了避免数据的泄露和高昂的流量费,国内的浮标平台普遍采用北斗卫星通信,其在寻址方式、信道畅通率、用户容量、通信实时性和价格方面都优于国际海事卫星通信,但是一次只能传递78个字节,每次通信需要分成多个数据包才能完成。
⒍传感器系统
传感器系统是整个浮标系统的工作部分,可以实现对多种海洋环境参数的测量。根据观测的科学目标的不同,搭载的传感器包括气象传感器、物理海洋传感器、海洋化学传感器和海洋生物传感器等。目前,国内浮标观测网搭载的传感器一般采用国外的产品,价格昂贵,维护比较麻烦。而国产传感器的问题在于,没有相应的产品,产品精度不能达到使用要求,或者没有在浮标上的使用经验。这些问题限制了国产传感器的研发和使用,导致与国外传感器产品差距越来越大,最终国内传感器产业萎缩甚至消失。
在东海海域,海底科学观测网需要从海面到海底,全方位立体协同观测,从而深入理解人类活动影响下的长江口东海的物质交换及其生态环境效应,研究东海低氧区的形成机制、生物地球化学过程及对生态环境的影响,探索长江冲淡水与西太平洋边界海流的相互作用。因此,海底观测网的浮标平台提出了新的更高的要求。
⒈搭载的传感器数量多、学科全、控制要求高
业务化运行的浮标平台一般搭载海洋气象传感器、海洋物理传感器和少量海洋化学传感器,主要测量指定海域的气象特征、温度盐度深度和流速等水文特征。而海底科学观测网的目标在于对东海的全方位观测,不局限于气象和水文特征。因此,海底观测网的浮标平台除了搭载常见的海洋气象传感器(风速、风向、气压、气温、湿度等)、物理海洋传感器(流速、流向、水温、波浪等)外,还要搭载众多的海洋化学传感器,比如用于测量pH值、溶解氧、水气CO2、硝酸盐、甲烷等的传感器。另外,浮标平台还要搭载激光粒度仪、光合辐射仪、三波长荧光计、光量子效率仪和浮游生物成像和分类系统,来观察水体中的浊度、光合作用、叶绿素、有机质和生物丰富度。如此多的传感器,对浮标系统的测量项目、传输方式及接口、防护等级、供电及功耗、体积与安装、连续工作时间与维护周期等方面,提出了较高的要求。浮标平台上传感器的稳定协调工作是海底观测网长期稳定运行的重要保证。
⒉观测网防护要求
除了需要搭载传感器实现海气界面的观测之外,浮标平台还要承担守护海底缆系的作用。东海地区繁忙的渔业活动对于海底的缆系具有较大的威胁,需要浮标平台提供一定的示警和防护作用,来提醒渔民注意指定海域底部的缆系,从而提高整个海底科学观测网的稳定性。
⒊水声通信要求
为了实现海底科学观测网的全方位观测,除了浮标平台,还需要潜标、四脚架、观测塔等平台同时工作。而这些平台的能量和数据是通过海底的光电复合缆传输的。浮标和部分无缆的潜标必须使用无线通信,才能接入海底科学观测网。无线电波和激光等信息载体在水下衰减剧烈,无法实现水下信息的传输,因此声波成为水下通信的唯一载体。在海底观测网中,水声通信系统共有3个主要作用:将无缆区域的浮标和潜标纳入实时海底观测网,将有缆区域的无缆浮标纳入海底观测网、海底电缆通信故障时的数据出水应急通道。借助水声通信,将浮标、潜标、四脚架等平台真正整合为一个有机整体,从而更好地实现数据的实时传输。
⒋仪器国产化要求
和国外传感器相比,国产的传感器优势在于价格便宜、维护方便以及可以提供必要的技术支持,打破国外的技术封锁。缺点在于测量精度不够、稳定性不够和没有使用经验不足等。另外,某些保密性的数据也只能通过国产的仪器采集和处理。在海底科学观测网中,为了降低后期的运行维护成本,保证声学数据的保密性,需要传感器的国产化。
⒈智能型数据采集和控制系统设计
针对当前浮标数据采集和控制系统主要支持海洋气象、物理海洋和少量海洋化学传感器的现状,研制模块化程度高、扩展能力强、人机交互良好、具备辅助预警决策功能的智能型控制系统。该数据采集系统主要包括主控芯片、CAN总线控制模块、分布式数据采集预处理模块和预警辅助决策模块等。图1所示为数据采集和控制系统结构框图。
图1 浮标数据采集和控制系统
为了保证传感器数量的迅速扩展,采用CAN总线和分布式预处理模块结合的方法。分布式预处理模块包括数据采集电路、数据处理和控制芯片以及相应的硬件模块化设计。当需要增加或者改变传感器时,只需要将传感器装在预处理模块上,再将预处理模块与CAN总线相连,从而实现传感器的迅速扩展。另一方面,还要开发易于操作的人机界面,使得科学家在岸上能够实时监测设备的健康状况,提前发现可能出现的设备故障,发出预警,并通过交互式远程控制系统对设备进行控制,从而保障海底观测网的稳定工作。
⒉水声通信数据链
为了实现潜标和浮标平台之间的水声通信,需要在浮标和海床基上加装水声通信机。浮标上的水声通信机基阵采用柔性线阵列,在柔性保护管内部安装发射换能器和接受水听器,外部安装透声保护罩。基阵主要由8个接受水听器和1个发射换能器组成,阵元间距为200mm,整体长度为2m左右。基阵下端配重,保证基阵在一定流速范围内可以保持基阵垂直。在浮标系统中,金属锚链的振动声、连接头旋转的声音、海浪冲击标体的声音等都会影响水声通信的效果。为了减弱这些噪声的影响,通信机基阵需要伸出浮标底部一定距离,其下端应伸出浮标地面5m左右。
⒊浮标平台防护措施
为了保证浮标平台的安全和整个海底观测网的长期运行,需要在浮标上增加安全防护装置。首先是报警系统,具体包括人员闯入报警、事故报警和故障报警等。这些报警系统需要加装相应的传感器,例如舱开门、舱进水、浮标移位、浮标倾斜等传感器。其次,在浮标上要加装AIS防撞系统,实时监测浮标周围12海里海域内的过往船只,对驶入2km范围内的船只进行识别跟踪,并利用海事和渔政系统对其发出警告。为了避免某些没有加装AIS系统或者AIS系统关闭的船只,可以采用VHF电台对其广播,使其远离浮标。最后,为了激发渔民的主动保护意识,除了每年对渔民进行宣传之外,还可以借助观测数据开发相应的数据产品以服务渔民,保障渔民的生命财产安全。例如,可以在渔船靠近时,向渔民的手机发送该海域的天气状况及预测,帮助渔民了解海上天气状况,减少损失。
⒋仪器实验平台建设
为了提高仪器的国产化水平,促进海洋传感器的发展,需要在浮标平台上搭建传感器的实验平台。在海底科学观测网中,每一个锚定点附近会有一个实验标和两个警戒标,在观测海底的同时,起到保护海底电缆的作用。而在每个浮标上会开6~8个仪器安装井,在保证海底观测网的长期稳定运行的基础上,可以将部分安装井作为国产传感器的实验平台,以验证、完善其使用性能。还可以同时搭载国外同种传感器产品,提供数据比对,以明确改进方向和验证数据的准确性。
传统太阳能发电系统的发电功率与太阳能板的数量成正比,通常仅能支持低频率的数据采集。太阳能发电的效率受天气影响较大,无法满足浮标平台在连续阴雨天、台风等极端天气的用电需求。为了实现多种传感器全天候的高频连续观测、高带宽数据的实时传输,浮标平台采用柴油发电机和太阳能板混合发电,经蓄电池存储转换后供所有仪器设备用电。
⒈柴油发电机的布置
柴油发电机在各类大小船舶中应用非常成熟,工作期间的振动、噪声和散热大,通常布置在独立的机舱中。在浮标平台上,柴油发电机布置在能源室深处远离浮标中心的方向,能够降低对浮标小平台仪器、仪器室数采设备的影响。油柜布置在发电机外侧,配置油位计,如图2所示。柴油发电机周围应预留设备维护空间,满足定期保养和检修需求。
图2 柴油发电机的布置
⒉柴油发电机的冷却系统
船用柴油发电机通常采用海水直接冷却的方式。海水经过滤后进入发电机冷却水管,具有冷却效率高的优点;缺点是冷却水管内部易发生腐蚀或堵塞。浮标平台以无人值守的方式长期工作在东海近岸含沙量高的海水中,需要采用间接海水冷却的方式。在冷却水管路中充满淡水,以内循环的方式冷却发电机。一部分冷却水管穿过舱壁后进入冷却水舱,由海水对冷却水管进行降温冷却。经验证,间接海水冷却的方式完全能够满足发电机的使用工况。
⒊柴油发电机的通风系统
柴油发电机工作期间消耗新鲜空气,因此需要配置通风系统。新风从桅筒侧面的烟雾处理器进入结构风道、风机,一路直接送至能源室柴油发电机进风口附近,另外一路经电动风闸送至仪器室。发电机产生的废气经排烟管从桅筒背面一侧排至舱外,不影响舱内设备运行和人员工作。当人员需要进舱作业时,开启风机和仪器室的电动风闸,能够为仪器室快速注入新鲜空气,减少海上作业等待时间。
⒋柴油发电机油箱设计
柴油发电机(以下简称柴发)选用KOHLER13.5EFKOZD,可输出110~220V/50Hz共计7种电压,输出功率13.5kW。油柜采用独立箱柜设计,按照系统的设备及柴发的设计工况,即75%负荷每日工作一小时,油耗为2.92L/h,1500L容积,可为柴发提供超过250天的续航,见表1。
表1 柴油发电机油耗说明
由于浮标平台为无人值守设计,需要设计远程读取液位数据,因此,在油柜顶部设计有浮球式磁性液位计;在侧面设计有翻转式磁性液位计,用物理显示的方式显示液位,保证了柴油液位监控的准确可靠,如图3所示。
图3 柴油发电机示意图
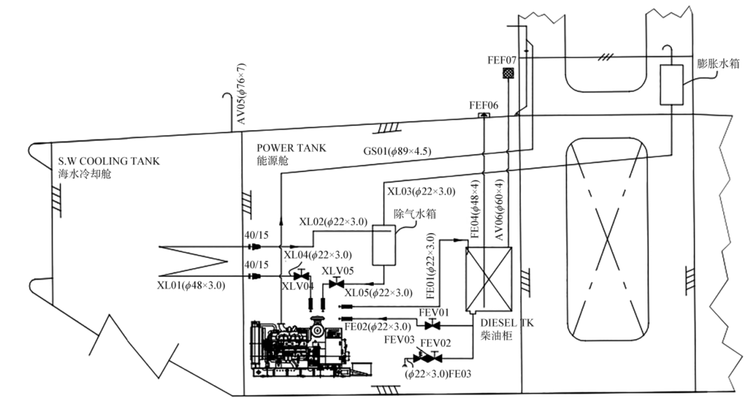
⒌水循环改进及设计
柴油发电机原设计采用船用柴油机,其冷却水系统为开式二级循环冷却系统,即通过泵和管路抽取外部环境水,用环境水和发电机内部的缸套水进行热交换,是为一级循环;缸套水通过闭式循环管路再冷却柴油机气缸等部件,从而带走发电机运行产生的热量,是为二级循环。使用后的环境水通过排气管和高温气体一起排出。但是,该冷却水方式适合低盐水环境的内河环境使用,对于无人值守的海上浮标平台显然不适用。因此,需要将原有的开式二级循环系统改造为闭式三级循环冷却系统。在标体外围的浮力舱内单独划分出一个海水冷却水舱,使舱内有和吃水高度一致的海水,舱底布置耐腐蚀材质制成的热交换盘管,用来实现低温淡水与海水的热交换,是为一级循环;低温淡水部分设置有除气水箱,用于去除系统循环中产生的气体,气体通过水箱顶部的管路进入位于高位的膨胀水箱,再通过膨胀水箱上的透气管排出系统。膨胀水箱有两个功能:二级循环系统补水;承担系统运行时冷却水热膨胀释放。二级循环冷却水通过发电机内部的泵及热交换器和发电机内的三级循环系统进行热交换。通过改造,冷却水循环系统可大大提高冷却水系统的可靠性,从而满足浮标平台无人值守的要求,如图4所示。
图4 水循环系统示意图
⒍通风及排烟设计
为满足浮标舱内设备散热及发电机运行对于新鲜空气的需求,浮标系统内还设计布置了通风系统。通风系统分为两路:日常设备运行通风及发电机送风。两路通风系统通过计算机控制风闸,考虑到海上环境对于设备的影响,进风口设计有盐雾过滤器。当日常设备运行时,风闸间歇性打开,通风系统可以带走设备运行时产生的热量,为系统可靠性提供保障。当柴发启动运行时,设备运行的风管分闸关闭,所有空气全部用于柴发送风。根据柴油机的运行需求,此时柴发的需求风量需要达到10000L/h。
本文首先介绍了浮标平台的结构组成以及国内外的进展;然后,提出了海底科学观测网对于浮标平台的功能性需求,包括对浮标数据采集和控制系统的要求、对水声通信的要求,和对海底电缆的防护要求和仪器国产化的要求;最后,针对海底观测网的这些需求,提出了一些建设的意见。总之,浮标平台未来将向智能化、系统化、网络化发展,这需要广大科技工作者的共同努力。